実家を住み継ぎリノベーション。断熱・耐震・浸水被害を解決。
「親から受け継いだ家、冬は寒くて夏は暑いし、耐震性も心配…」
そんなお悩みはありませんか?
古くなった家の性能や間取りを、諦めてしまうのはまだ早いかもしれません。
今回は、過去の浸水被害という大きな課題を乗り越え、断熱・耐震性能を大幅に向上させた大規模リノベーション事例をご紹介します。
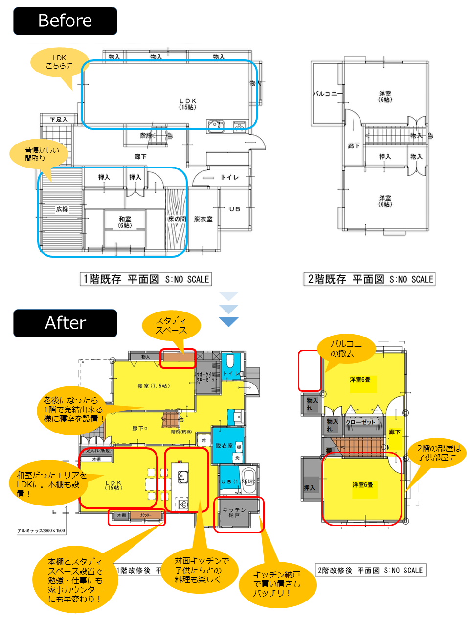
暗かった和室は、家族の笑顔が集まる南向きの明るいLDKへ大変身。
施主様の「たくさんの本に囲まれて暮らしたい」「家族で料理を楽しみたい」という願いを叶えるための工夫が随所に光ります。
思い出の家の良さを活かしながら、最新の断熱技術で安心・快適な暮らしを手に入れた実例を、ぜひ参考にしてください。
目次
お客様のご要望
- 南側にリビングをつくりたい
- 本棚を沢山作って欲しい
- 子ども達と一緒に料理できる空間にしたい
図面

after
浸水のため床下の底上げ工事
以前、床下の一部が浸水したことがあり、50㎝程床が下がっていました。
その為、その箇所を50㎝上げる工事を行いました。
コンクリート床のかさ上げ(嵩上げ)は、衝撃緩和や配管スペースの確保、バリアフリー化といった目的でも実施され、建物を壊さずに低コストで対策できるメリットがあります。
before




配筋をいれます。その理由としてコンクリートの引っ張りへの弱さを補強し、ひび割れを防ぎ強度を高めるためです。
コンクリートは押す力に強いですが、引っ張る力や曲げる力には弱く、その弱点を鉄筋が補強することで、建物の基礎や駐車場としての耐久性や安全性、耐震性を向上させます。この後コンクリートを流し込みます。
after

屋根



屋根の下地の上の掃除をします。
その際私たちはホコリが舞い上がらないように、水をまきながら掃除をするように協力会社さんへ指導しています。
これは千人独自のやり方でもあります。
ちょっとした事かもしれませんが、工事期間中お客様や近隣の方へ少しでもご迷惑かけないようにという会社の方針のひとつでもあり、創業当時から行っております。

下地の上に防水シートを敷き詰める。(防水シート)は屋根材の間から浸水する雨水を防ぎ、下地を保護する役割を持っています。
屋根の中でも「谷の部分」と「棟の部分」は一番雨漏りがしやすい箇所なので、その箇所のみ防水シートは二重敷きでにするなど千人独自の工程を組んでいます。







今回の陶器平板瓦は伝統的な日本瓦の美しさと、現代的な平坦な形状を融合させた屋根材です。高い耐久性・耐火性能・防水性・耐水性に優れています。またフラットの為、和瓦よりも耐風性があがります。
断熱対策はされておらず。壁、窓、床、天井すべてに断熱対策を実施
断熱は住まいを快適に過ごす為大切な工程です。断熱の大切さの詳細はこちら!
床下断熱
before

after

壁断熱
before
今回のお住まいは解体してみたら断熱材は全く入っていませんでした。これは解体してみないと分からない箇所です。

after
今回断熱材を施工したところ、断熱等級4の確保ができました。
2025年以降すべての新築住宅で義務化される省エネ基準の最低限の性能ですが、中古の物件でも新築と同等の断熱等級が可能です。
これは単に等級に合った断熱の厚さを入れるだけでなく、そのお部屋の「窓の断熱」をしていること等も大切な要因の一つです。
断熱材をしっかり入れていても、温かい空気や外の冷たい空気が窓から出入してしまうため、平行して窓断熱をしっかり施工することが大切です。
今回はお部屋の窓ガラスをペアガラスにしたので、断熱性はバッチリです!



耐震補強
耐震補強として新たに筋交いを設置しました。


外観
before


after
外壁も塗りなおしました。


玄関
before

after


LDK
南側にあった和室の位置にLDKがくる間取りへ変更
before

after



キッチン
自然光や照明など、当たる光によって表情が変化。透明感と明るさのあるカウンターは、使うたびに美しさを実感できる上質な仕上がりです。
before

after


キッチンに透明感を与えてくれるすりガラスの様な仕上げのクリスタルカウンター。(参照資料)光を反射してキッチン空間を明るくしてくれます。なめらかな手触りのクリスタルカウンターは女性は一目ぼれする人が多いキッチン。「きれい除菌水」は除菌やヌメリ防止などに、いつでも手軽に使え主婦層に人気の機能がついています。

今回のお色はクリスタルペールグリーン。カウンター端部のクリアエッジ仕上げが輝きを放ち、空間に明るいアクセントを加えます。

シンク底面・網かご・排水口につけた傾斜が特長。水やごみが流れやすく、汚れがたまりにくい構造です。シンプルなスクエア形状で、お手入れラクラク。

水はねしにくさと洗浄力を両立した、幅広のミクロソフトシャワーを採用。 ほうきのように水がパッと広がり、汚れをサッと落とします。

きれいに見えるまな板や包丁にも、見えない菌が残っています。仕上げに「きれい除菌水」をふきかければ、しっかり除菌できます。それ以外にも歯ブラシや子供のおもちゃなど、用途が広がりそうですね!

after:背面収納(カップボード)
キッチンと同じものを採用。白で全体的に明るく清潔感ある印象になりました。

after:対面式キッチンはリビングダイニングの家族の様子が見れる。対面式で会話も弾みます。

脱衣所・浴室
before


after

洗面台はTOTOオクターブ。スタイリッシュなカウンターとして人気です。15センチの収納カウンターを設置。オープンで小物も使い易いです!除菌水も嬉しい★


床の内側にあるクッション層は、畳のようなやわらかさ。同時に断熱材の役割も果たすW断熱構造で、冷気を遮断。さらに床表面はカラリパターンだからお掃除も簡単です。

人間工学の研究をもとに身体を支える面を増やし、安定できる形を追求しました。従来の浴槽より関節にかかる力を分散し、入る人をやさしく包み込み支えるため、身体を安心して預けられます。
トイレ
before

after

コンパクトなサイズがトイレ空間に広がりをもたらすスタイリッシュモデルトイレへ。無駄をそぎ落としたシンプルでコンパクトなフォルムが、限られた空間をよりスッキリと、快適に使いやすくします
寝室
元々LDKだった部屋を寝室へ
before

after



実家をリノベーションってどうなの?
「親が住んでいた家。子供もできてどうしようかな?」
最近、そんな風に考えたことがある方に、「実家リノベーション(実家リノベ)」という選択肢が注目されています。
子供の時に思い出がいっぱい詰まった家を、今の自分たちの暮らしに合わせてオシャレで快適な住まいに作り変える。なんだかワクワクしますよね。
でも、家を持つ方法は他にも「中古の家を買ってリノベする」とか、「新しい家を建てる」とか、色々あります。 「結局、どれが自分たちに合っているんだろう?」 そんな疑問がスッキリわかるように、それぞれの良いところ、気になるところを比べてみました。
ポイント1:なんといってもお金の負担が軽い!
一番大きなメリットはこれです。ふつう家を買うときには「土地代」と「建物代」がかかりますが、実家リノベなら、その両方がタダ!
浮いたお金を、キッチンのグレードを上げたり、断熱材をしっかり入れて冬暖かく夏涼しい家にしたりと、こだわりたい部分にたっぷり使えます。
ポイント2:思い出をそのまま残せる
家族の背比べをした柱の傷も家族の歴史。みんなで過ごしたリビング。
そんな大切な思い出や家の雰囲気を残しながら、新しくできるのが実家リノベの素敵なところ。
古いものを活かしたデザインも楽しめます。自分の子供と自分の小さなころと時を超えて背比べするのも楽しいかも。

ポイント3:「家探し」をしなくていい
「このエリア、なかなか良い土地がないな…」「希望の家が見つからない…」といった、家探しの苦労が一切ありません。時間も手間も省けて、スムーズに家づくりをスタートできます。
ポイント4:家のクセがわかっている
「この部屋、冬はちょっと寒いんだよな」
「西陽が強いから対策したいな」など、長く住んでいたからこそ分かる家の長所や短所がありますよね。それをリノベの計画に活かせるので、失敗が少なくなります。
| くらべる項目 | ✨ 実家リノベ | 🤝 中古を買ってリノベ | 🏠 新築(建替え) |
|---|---|---|---|
| かかるお金 | ◎ とってもお得 (土地・建物代が0円なのが大きい!) | ◯ お手頃 (新築よりは安くすむことが多い) | △ いちばん高額 (土地も家もすべて新品なので) |
| 間取りやデザインの自由度 | △ ちょっとだけ制限あり (柱や土台など、動かせない部分がある) | △ ちょっとだけ制限あり (選んだ家の骨組みによる) | ◎ 最高に自由! (ゼロから思い通りに作れる) |
| 場所の選びやすさ | ✕ 選べない (今の実家の場所がすべて) | ◎ 選び放題! (売りに出ている家の中から探せる) | ◯ 探せる! (売りに出ている土地の中から) |
| 思い出・愛着 | ◎ 引き継げる! (一番の魅力!) | ✕ これから作る | ✕ これから作る |
| 家づくりのスムーズさ | ◯ スムーズ (家探しがないから楽ちん) | △ ちょっと大変 (家探しとリノベ計画を同時に進める) | △ 時間がかかる (土地探しからだと特に) |
| 気をつけるポイント | ・親や兄弟との話し合い ・思ったより工事が必要になることも | ・手数料など、家の値段以外のお金がかかる ・専門家による家の健康診断は必須 | ・家や土地にかかる税金が高め ・完成まで時間がかかる |
結局、どれがいいの?
ここまで読んでみて、いかがでしたか?
もしあなたが、 「慣れ親しんだ場所で、費用は抑えたい。そして、家族の思い出は大切にしながら、オシャレで快適な家に住みたい!」 と思うなら、実家リノベがピッタリです。
間取りは新築と違い制約はありますが、選択肢が限られてるので時間がかからないのもメリットしてとらえることもできます。
もし、 「住みたい街は決まっている。そこで安く家を手に入れて、自分好みに変えたい!」 なら、中古を買ってリノベが良いでしょう。
そして、 「お金や時間はかかってもOK!場所も間取りも、100%理想通りのピカピカな家が欲しい!」 という方には、新築がおすすめです。
どの家づくりが、あなたに合っていましたか?
「実家リノベ」「中古を買ってリノベ」「新築」、それぞれの良いところを見てきましたが、ご自身の家族にぴったりの方法は見つかりましたか?
どの方法にも魅力があって、「私たちの場合はどうなんだろう?」「誰に相談したらいいの?」と、新たな疑問や不安が生まれているかもしれません。
もしあなたが宮崎市・都城市エリアで、「実家リノベーション」を少しでもいいな、と感じていらっしゃるなら、ぜひ一度私たち「千人力」にお話を聞かせてください。
住み継ぎリノベーションとしてしてこれまで多くの施工実績がございます。
▼住み継ぎリノベーション
https://www.senninriki.jp/blog_category/sumitsugu
▼施工実績
https://www.senninriki.jp/group/renovation
「こんなこと聞いてもいいのかな?」と思うような、ささいな疑問や不安、家族の夢、なんでも私たちに投げかけてみてください。網戸一枚の張替えからお家まるごとのリノベーションまで、大小問わず駆けつけるのが私たちの信条です。
まずはあなたの住まいへの想いを、私たち千人力に聞かせていただけませんか?
お住まいのことで、「お困りごと」はございませんか?
住まいづくりを通して人の「いのち・くらし・あした」を支える会社です。
お住まいで、「お困りごと」はありませんか?
都城にて1976年創業。地域密着の小さな会社ではありますが、メンテナンス、リフォームや性能向上の断熱や耐震のリノベーションから、注文住宅、医院、介護施設、商業施設の新築、そして古民家再生など多くのお客様のニーズを形にしてきました。どんな小さなことでもお住まいに関してお困りのことがあればお気軽にご相談下さい。
☎0120-1000-76 受付時間:8:00-17:30
この記事を見た人は、次の記事もチェックしています。
